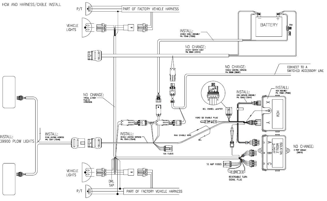
LIGHT KIT, LED, ACCESSORY Kit for existing plows
The Western Plow Part #72560 is a genuine LED Accessory Light Kit, specifically designed as a premium upgrade for various Western snowplows utilizing the advanced NIGHTHAWK™ LED Headlamps. This complete kit enhances visibility and safety by providing superior illumination beyond standard plow lighting, making it an indispensable accessory for professional contractors and demanding plowing environments.
This kit features Western’s exclusive EdgeView™ Technology, where a dedicated LED bulb directs light through the outer edge of each headlamp. This innovative design delivers a full 180 degrees of light visibility, illuminating not only the path directly ahead but also the critical plow edges and surrounding work area. These 100% LED lamps provide up to two times the light output of traditional halogen lights and project light up to 350 yards on high beams. The #72560 also incorporates an intuitive heating system that automatically senses lens temperature and activates heating elements to prevent snow and ice buildup, ensuring clear visibility at all times. Built to withstand extreme temperatures, vibration, impact, water submersion, shock, and corrosion, this authentic OEM kit offers unparalleled durability and performance for the most challenging winter conditions.
Always refer to your Western Plow’s documentation and vehicle-specific wiring guides to confirm exact compatibility and proper installation procedures for your specific plow model.









Reviews
There are no reviews yet