LIGHT KIT, LED, COMPLETE for NEW PLOWS – if you have an existing plow use Part # 72560 LIGHT KIT, LED, ACCESSORY
The Western Plow Part #72525, the complete LED Light Kit, features the advanced Western NIGHTHAWK™ LED Headlights, a significant upgrade designed to dramatically enhance visibility during snow and ice removal operations. These state-of-the-art headlamps are equipped with patented EdgeView™ Technology, which utilizes a dedicated LED bulb to direct light through the outer edge of each plow light, providing an expansive 180 degrees of light visibility from plow edge to plow edge. This innovative design ensures you have the best possible all-around view of the plow’s operating environment, allowing you to see a job well done—clear as day—at any hour.
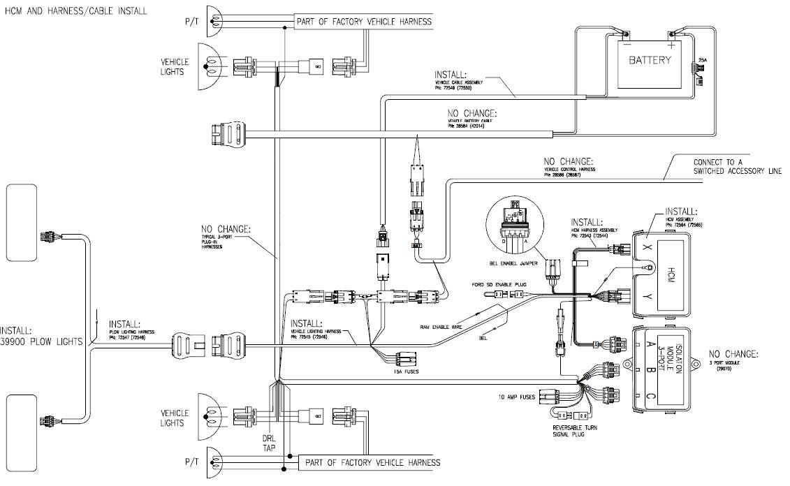
Beyond superior illumination, this complete kit offers 100% LED performance, delivering up to twice the light output of traditional halogen bulbs for maximum visibility, with high beams capable of lighting the road ahead for up to 350 yards. An intuitive heating system automatically senses the temperature on the lens and activates heating elements as needed, preventing snow and ice buildup and ensuring consistent light output. The kit includes the necessary LED headlamps, a Headlamp Conditioning Module (HCM), and a new 16-pin harness, all engineered for robust durability against vibration, impact, water submersion, shock, and corrosion in the harshest winter conditions.
Always refer to your Western Plow’s documentation and vehicle-specific wiring guides to confirm compatibility and proper installation procedures.










Reviews
There are no reviews yet